氣力輸送系統
推薦新聞

座機:0531-83317677
手機: 13964033677
聯系人:
Q Q: 1302842311
郵箱: 1302842311@qq.com
地址: 山東省濟南市章丘區雙山街道豐年大道666號
- 產品名稱 : 高壓氣力輸送系統
- 產品特點 :
本系統是以雙級羅茨鼓風機或空氣壓縮機為氣源,產生高壓氣體,連續壓送物料的一種氣力輸送系統。更多詳情請撥打:13964033677
產品摘要 :
高壓氣力輸送系統是以雙級羅茨鼓風機或空氣壓縮機為氣源,產生高壓氣體,連續壓送物料的一種氣力輸送系統。
產品描述
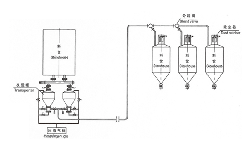
高壓供料器壓送氣力輸送系統流程:

本系統是以雙級羅茨鼓風機或空氣壓縮機為氣源,產生高壓氣體,連續壓送物料的一種氣力輸送系統。該系統適用于從一處向多處進行分散輸送,具有壓力高,密封可靠,對物料起到烘干和分級的作用。適宜中長距離輸送,輸送比重較大。
高壓供料器壓送氣力輸送系統參數
| 項目 | 輸送方式 | 輸送量 | 輸送壓 | 輸送管徑 | 輸送高度 | 輸送距離 |
| 參數 | 連續中低壓壓送 | 0.1-50 | 98.0-300 | 50-200 | 20-40 | 50-300 |
密相高壓氣力輸送工作原理
密相高壓氣力輸送系統參數
1、螺桿式空氣壓縮機 2、冷凍干燥機 3、儲氣罐 4、輸氣管道
5、排料裝置 6、手動插板閥 7、電動卸料閥 8、發送罐
9、管道 10、低料位計 11、高料位計 12、料倉
13、袋式過濾器 14、引風機 15、PLC控制箱 16、增壓器
密相高壓氣力輸送系統特點:
該系統具有流速低、耗氣量小,適宜長距離,大容量的輸送,對于透氣性好的物料 ,便于實現流態化輸送。具有噪音低、破碎少的特點,適合輸送水泥、粉煤灰、鑄造型砂等磨削性較大的物料。
| 項目 | 輸送方式 | 輸送量 | 輸送壓 | 輸送管徑 | 輸送高度 | 輸送距離 |
| 參數 | 連續中低壓壓送 | 0.1-100 | 100-600 | 50-200 | 40-200 | <1000 |
售后服務:
1、為客戶培訓維修和操作人員,及時方便的為用戶提供配件。
2、打造行業服務優質品牌,24小時服務。
3、公司發貨后,有專門 的售后客服,第一個月、第三個月和第六個月對使用情況進行跟蹤回訪。
4、提供售前選型方案,圖紙技術支持。
5、客戶提出的問題2小時以內予以響應。
聯系我們:
手機:13964033677
電話:13964033677
傳真:0531-83313150 0531-83293366
銷售QQ:1302842311
郵箱:1302842311@qq.com
標簽:
當前位置: